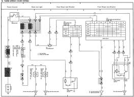
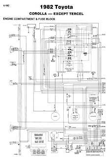
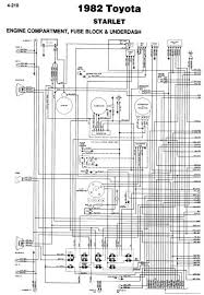
1982 Toyota Fuse Box Diagram / Fuse Box Diagram For 1979 Wiring Diagram Plunge Perfomance Plunge Perfomance Prevention Medoc Fr / 2000, 2001, 2002, 2003, 2004).. 1992 jaguar xjs engine fuse box diagram 1992 jaguar xjs engine fuse box map fuse panel layout diagram parts: 2000, 2001, 2002, 2003, 2004). Fuse panel diagram toyota corolla ae86, corolla sport, corolla levin and sprinter trueno (1983, 1984, 1985, 1986, 1987). This diagram identifies the general position of the fuse box panel in a camry. Location of fuse boxes, fuse diagrams, assignment of the electrical fuses and relays in toyota vehicle.

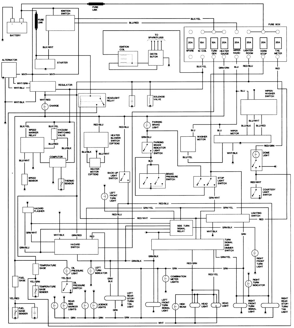
Stop lamps, windshield wiper, hazard lamp, 3rd brake light, headlamps, tail lamps, parking lamps, side marker lamps, instrument cluster illumination lamps, license plate lights, turn signal. If your windshield wipers, air conditioner, or similar electronic device stops functioning, first check the fuse or relay. Or tell me which 15a fuse is the stop light fuse. Anyone know how i can transfer that information? Can someone please upload a picture of the 1994 fusebox diagram, the one thats inside the car.

Plymouth Reliant 1981 1984 Fuse Box Diagram Auto Genius
Plymouth Reliant 1981 1984 Fuse Box Diagram Auto Genius from www.autogenius.info
Fuso engine electric management system schematics. Deaction indicator flasher unit, parking lamp, main fuse box, heated screen delay unit, headlamp, ignition protection … 2003 ford sport trac fuse box diagram. Let your fuse box diagram be the guide to the fuse you need to pull. If your corolla has many options like a sunroof, navigation, heated seats, etc, the more fuses it has. All automotive fuse box diagrams in one place. This image shows the under dash fuse box layout for a 1987 to 1993 ford mustang. I'm looking for the wiring diagram for the fuse box of 3rg gen anyone? Ive seen it done before but idk how to do it.

Then it must be the fuse, but i can't figure which fuse it is.

I found a bunch of wiring diagrams, was going to send them to you but i cannot copy them from my manual. Ford stopped imprinting fuse locations and assignments on box covers before 1998, and if you do not have the owner's manual, you have to buy a shop manual this diagram helped me tremendously. Indestructible and unstoppable toyota land cruiser motorovision. Just had a quick check around and can't seem to find one, has anyone got a copy of the fuse box diagram ?? Let your fuse box diagram be the guide to the fuse you need to pull. This video is a fuse diagram plot with hopes of people helping each other out to find out the problems that they may be having with the vehicle. All automotive fuse box diagrams in one place. Anyone know how i can transfer that information? 1) find the fuse box (on most toyota vehicles it is located in the kick panel to the left of the driver's side.) Seeking information about land rover discovery fuse box diagram? Then it must be the fuse, but i can't figure which fuse it is. The fuse panel located on the driver's side of the truck comes with a fuse box diagram, which is also provided in your owner's manual. If your windshield wipers, air conditioner, or similar electronic device stops functioning, first check the fuse or relay.

Let your fuse box diagram be the guide to the fuse you need to pull. 'three pedals or bust!' 'come for the cars. Fuse box diagram (location and assignment of electrical fuses) for toyota avalon (xx20; I have looked all over the internet for a diagram of the fuse box under the hood. Indestructible and unstoppable toyota land cruiser motorovision.

Diagram Chevrolet Fuse Box Diagram 1990 Full Version Hd Quality Diagram 1990 Towbarwiringm Repni It
Diagram Chevrolet Fuse Box Diagram 1990 Full Version Hd Quality Diagram 1990 Towbarwiringm Repni It from www.autofuseboxdiagram.com
A fuse box diagram is found under the fuse box. All automotive fuse box diagrams in one place. I check the light and the switch. Anyone know how i can transfer that information? Location of fuse boxes, fuse diagrams, assignment of the electrical fuses and relays in toyota vehicle. Stop lamps, windshield wiper, hazard lamp, 3rd brake light, headlamps, tail lamps, parking lamps, side marker lamps, instrument cluster illumination lamps, license plate lights, turn signal. Indestructible and unstoppable toyota land cruiser motorovision. Fuso engine electric management system schematics.

2000, 2001, 2002, 2003, 2004).

On both cases, the recommendation is that you: Harley davidson touring fuse box fuse box diagram here's where your fuses sleep at night. The diagram is located on the panel below the fuse box if you can twist your neck around that far. Fuse box diagram (location and assignment of electrical fuses) for toyota avalon (xx20; For anyone else that encounters the same problem in the future: Just had a quick check around and can't seem to find one, has anyone got a copy of the fuse box diagram ?? The fuse panel located on the driver's side of the truck comes with a fuse box diagram, which is also provided in your owner's manual. 2000, 2001, 2002, 2003, 2004). Fuse box in passenger compartment toyota corolla e100. A fuse box diagram is found under the fuse box. This image shows the under dash fuse box layout for a 1987 to 1993 ford mustang. Fuso truck ecu wiring diagram. I have found this little fuse diagram in my car (2013 f34 335) but obviously i am en idiot and can not find out which of all those small icons represents brake lights not sure what the diagram matrix is for the f30, but if you want to find out, pull the fuses that have the light icon that are in the trunk fusebox one at a time and see.

Some components may have multiple. This diagram identifies the general position of the fuse box panel in a camry. 1992 jaguar xjs engine fuse box diagram 1992 jaguar xjs engine fuse box map fuse panel layout diagram parts: I have found this little fuse diagram in my car (2013 f34 335) but obviously i am en idiot and can not find out which of all those small icons represents brake lights not sure what the diagram matrix is for the f30, but if you want to find out, pull the fuses that have the light icon that are in the trunk fusebox one at a time and see. Can someone please upload a picture of the 1994 fusebox diagram, the one thats inside the car.

Toyota Corolla Ae86 1983 1987 Fuse Box Diagrams Youtube
Toyota Corolla Ae86 1983 1987 Fuse Box Diagrams Youtube from i.ytimg.com
The fuse panel located on the driver's side of the truck comes with a fuse box diagram, which is also provided in your owner's manual. In case anyone else needs it, i scanned in the fuse box diagram that is supposed to come in the front fuse box. Then it must be the fuse, but i can't figure which fuse it is. I found a bunch of wiring diagrams, was going to send them to you but i cannot copy them from my manual. Let your fuse box diagram be the guide to the fuse you need to pull. Some components may have multiple. I have found this little fuse diagram in my car (2013 f34 335) but obviously i am en idiot and can not find out which of all those small icons represents brake lights not sure what the diagram matrix is for the f30, but if you want to find out, pull the fuses that have the light icon that are in the trunk fusebox one at a time and see. Stop lamps, windshield wiper, hazard lamp, 3rd brake light, headlamps, tail lamps, parking lamps, side marker lamps, instrument cluster illumination lamps, license plate lights, turn signal.

Can someone please upload a picture of the 1994 fusebox diagram, the one thats inside the car.

Most fuse diagrams for toyotas are on the inside cover of the fuse panel whether inside the engine or mounted on firewall under dash on drivers side. Some components may have multiple. Indestructible and unstoppable toyota land cruiser motorovision. I found a bunch of wiring diagrams, was going to send them to you but i cannot copy them from my manual. Ive seen it done before but idk how to do it. Harley davidson touring fuse box fuse box diagram here's where your fuses sleep at night. This video is a fuse diagram plot with hopes of people helping each other out to find out the problems that they may be having with the vehicle. All automotive fuse box diagrams in one place. Fuse box in passenger compartment toyota corolla e100. Fuso engine electric management system schematics. All toyota corolla x info & diagrams provided on this site are provided for general information purpose only. Stop lamps, windshield wiper, hazard lamp, 3rd brake light, headlamps, tail lamps, parking lamps, side marker lamps, instrument cluster illumination lamps, license plate lights, turn signal. Keep reading to learn about replacing blown fuses.

By