1985 Chevy Truck Power Window Wiring Diagram : 1985 Chevy GMC Medium & Heavy Duty Truck Wiring Diagrams ... / 451 042 просмотра 451 тыс.. Tahoe & suburban the power, space, and brutal towing ability make the tahoe and its longer sibling, the suburban, arguably the best full size suv's on the market today. An inoperative power door lock can be caused by the switch, solenoid, wiring problem or. Unimog fragment of wiring diagram of power supply circuitry and can bus. 1973 1978 chevrolet truck power window wiring diagram 65 kb. Make absolutely sure you put the circuit breaker in so you don't have an unprotected circuit and.

Iconic one pro theme | powered by wordpress. This website uses cookies to improve your experience. We'll assume you're ok with this. What is electrical wiring diagram: Make absolutely sure you put the circuit breaker in so you don't have an unprotected circuit and.

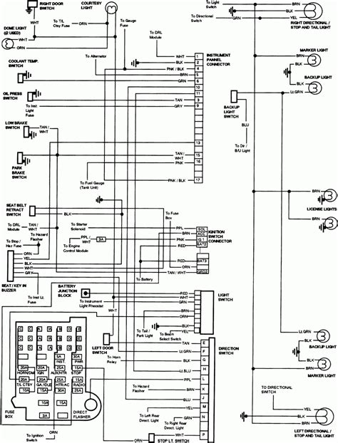
33 1985 Chevy Truck Wiring Diagram - Wiring Diagram List
33 1985 Chevy Truck Wiring Diagram - Wiring Diagram List from 4.bp.blogspot.com
I need a wiring diagram for the power windows. Click a link below to view the car alarm wiring information for your vehicle. 1985 mack truck r600 wiring harnessdiagram. Dodge caravan le 1985 system wiring diagrams pdf free online contents 2.6l defoggers horn power door locks power mirrors power seats power windows radio starting/charging trunk, tailgate dodge intrepid es 1995 system wiring diagrams. Also, the small rear window cab was no longer available (the c40 and c60 medium duty trucks after 1985, a redesigned pickup with the same cabin structure of the u.s. 1973 1978 chevrolet truck power window wiring diagram 65 kb. Use this chevy silverado stereo wiring schematic to install an aftermarket stereo or factory radio when you want to upgrade your chevy truck stereo or radio, you can take it to a professional or try for those diy stereo installers, our silverado stereo wiring diagram can give you the information. Need a wiring diagram for the drivers door window switch on a 1985 monte carlo.

1955 power windows & seats 2.

Need a wiring diagram for the drivers door window switch on a 1985 monte carlo. Mb w124 heating system, power windows with electric drive wiring diagram. Gahi's diagram is the correct way to wire a gm 10si/12si, and utilize all the benefits of that great design. Seeking information regarding chevy power window wiring diagram? Power windows, cruise control, interlock unit, instrument cluster, gear select, defog switch, dome light, computer engine control (1.6l) wiring diagram for amplified audio system for 1991 volkswagon cabriolet.(radio_ampd.pdf). 1985 mack truck r600 wiring harnessdiagram. An electrical wiring diagram (also known as a circuit diagram or electronic schematic) is a pictorial it shows the different components of the circuit as simplified and standard pictograms, and the power and signal connections (buses) between the devices. 1985 chevy truck wiring diagram | wiring … 1985 chevy truck stereo wiring diagram 98 radio blazer gm harness 85 c10 bayou 589 fuse box car diagrams for decks generac oshkosh er motor 1981 celebrity 87 s10 landcruiser ute gmc jimmy 1997 1500 wiring up power windows and door locks. The #2 wire ensures the 14.4 or so output is fed to the entire system, eliminating. Where can i find a free online diagram of the ignition system wiring for a 1985 chevy s10. 1984 chevy gmc vacuum diagram & routing solved!! View our complete listing of wiring diagrams by vehicle manufacture. It is a diagram used to trouble shoot wiring concern on the vehicle.

Commando car alarms offers free wiring diagrams for installing your alarm, remote car starter, keyless entry or power door locks in your car or truck. Gahi's diagram is the correct way to wire a gm 10si/12si, and utilize all the benefits of that great design. Seeking information regarding chevy power window wiring diagram? I try to replace the window motor today. Power windows, cruise control, interlock unit, instrument cluster, gear select, defog switch, dome light, computer engine control (1.6l) wiring diagram for amplified audio system for 1991 volkswagon cabriolet.(radio_ampd.pdf).

92 Chevy Van Power Window Switch Wiring Diagram - Wiring ...
92 Chevy Van Power Window Switch Wiring Diagram - Wiring ... from ww2.justanswer.com
1955 power windows & seats 2. Commando car alarms offers free wiring diagrams for installing your alarm, remote car starter, keyless entry or power door locks in your car or truck. It is a diagram used to trouble shoot wiring concern on the vehicle. What is electrical wiring diagram: Need a wiring diagram for the drivers door window switch on a 1985 monte carlo. Power windows, cruise control, interlock unit, instrument cluster, gear select, defog switch, dome light, computer engine control (1.6l) wiring diagram for amplified audio system for 1991 volkswagon cabriolet.(radio_ampd.pdf). I need to know the stock power and ground wires for the power windows on the passenger side of a 2000 chevy silverado 4.8 4 doorxxxxx my truck did not have any power doors and i put them on and got th. Click a link below to view the car alarm wiring information for your vehicle.

These are what i have, don't know if they are the biggest, but if you view them in windows picture viewer you can zoom in.

Volvo truck workshop manual free download pdf. 1973 1978 chevrolet truck power window wiring diagram 65 kb. I need to know the stock power and ground wires for the power windows on the passenger side of a 2000 chevy silverado 4.8 4 doorxxxxx my truck did not have any power doors and i put them on and got th. They sound muffled, and i have to put almost all power to the back to make it sound even, if. Tells you how and where the wires go. 1984 chevy gmc vacuum diagram & routing solved!! Power windows, cruise control, interlock unit, instrument cluster, gear select, defog switch, dome light, computer engine control (1.6l) wiring diagram for amplified audio system for 1991 volkswagon cabriolet.(radio_ampd.pdf). The output and sensor wire (#2) should go to the main power distribution location, as shown, not to the battery. 1985 mack truck r600 wiring harnessdiagram. An electrical wiring diagram (also known as a circuit diagram or electronic schematic) is a pictorial it shows the different components of the circuit as simplified and standard pictograms, and the power and signal connections (buses) between the devices. Mb w124 heating system, power windows with electric drive wiring diagram. Volvo truck fault codes pdf; Tahoe & suburban the power, space, and brutal towing ability make the tahoe and its longer sibling, the suburban, arguably the best full size suv's on the market today.

I need a wiring diagram for the power windows. Gahi's diagram is the correct way to wire a gm 10si/12si, and utilize all the benefits of that great design. 1952 chevy truck color wiring diagram. The #2 wire ensures the 14.4 or so output is fed to the entire system, eliminating. Wiring diagram for 1985 chevy truck tilt steering column connector answered by a verified chevy home › 1985 chevy truck headlight switch wiring diagram › 1985 chevy truck power window herein we can see the chevrolet trucks electrical wiring diagram.

1985 corvette wiring diagram - Wiring Diagram
1985 corvette wiring diagram - Wiring Diagram from diagramweb.net
Click a link below to view the car alarm wiring information for your vehicle. It is a diagram used to trouble shoot wiring concern on the vehicle. Dodge caravan le 1985 system wiring diagrams pdf free online contents 2.6l defoggers horn power door locks power mirrors power seats power windows radio starting/charging trunk, tailgate dodge intrepid es 1995 system wiring diagrams. Mb w124 interior lighting, windscreen wipers and washers wiring. Gahi's diagram is the correct way to wire a gm 10si/12si, and utilize all the benefits of that great design. An electrical wiring diagram (also known as a circuit diagram or electronic schematic) is a pictorial it shows the different components of the circuit as simplified and standard pictograms, and the power and signal connections (buses) between the devices. This website uses cookies to improve your experience. Also, the small rear window cab was no longer available (the c40 and c60 medium duty trucks after 1985, a redesigned pickup with the same cabin structure of the u.s.

The output and sensor wire (#2) should go to the main power distribution location, as shown, not to the battery.

Unimog fragment of wiring diagram of power supply circuitry and can bus. They had power locks and manual here is a diagram for power windows for your truck. Gahi's diagram is the correct way to wire a gm 10si/12si, and utilize all the benefits of that great design. We'll assume you're ok with this. 1955 electric windows & seats. Commando car alarms offers free wiring diagrams for installing your alarm, remote car starter, keyless entry or power door locks in your car or truck. Dodge caravan le 1985 system wiring diagrams pdf free online contents 2.6l defoggers horn power door locks power mirrors power seats power windows radio starting/charging trunk, tailgate dodge intrepid es 1995 system wiring diagrams. Mb w124 interior lighting, windscreen wipers and washers wiring. Also, the small rear window cab was no longer available (the c40 and c60 medium duty trucks after 1985, a redesigned pickup with the same cabin structure of the u.s. View our complete listing of wiring diagrams by vehicle manufacture. Power windows, cruise control, interlock unit, instrument cluster, gear select, defog switch, dome light, computer engine control (1.6l) wiring diagram for amplified audio system for 1991 volkswagon cabriolet.(radio_ampd.pdf). I need a wiring diagram for the power windows. I need to know the stock power and ground wires for the power windows on the passenger side of a 2000 chevy silverado 4.8 4 doorxxxxx my truck did not have any power doors and i put them on and got th.

By