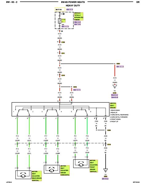
2004 Dodge Caravan Wiring Diagram : Wiring Diagram For 2004 Dodge Grand Caravan - Wiring Forums : You could be injured because the airbags are not there to protect you.. Fuse box diagram dodge caravan & grand caravan, chrysler voyager, grand voyager & town & country (2000, 2001, 2002, 2003, 2004, 2005, 2006, 2007). Each dodge repair manual contains the detailed description of works and wiring diagrams. Dodge town & country caravan voyager wiring 2009. 1993 dodge grand caravan wiring diagrams.pdf. Service manual dodge ram 2004.rar.

We have 107 dodge caravan manuals covering a total of 34 years of production. Блок предохранителей и реле dodge caravan и grand caravan, chrysler voyager, grand voyager и town & country (2003, 2004, 2005, 2006, 2007). Dodge jr sebring stratus 2002 system wiring diagrams. The automotive wiring harness in a dodge is becoming increasing more complicated and more difficult to identify due to the installation of. Wiring diagrams, spare parts catalogue, fault codes free download.

free computer diagram for 2004 dodge caravan | ... the ...
free computer diagram for 2004 dodge caravan | ... the ... from i.pinimg.com
Caravan power window lift system circuit diagram. Where can i find wiring diagram for dodge motor home 1978 or a 2004 admiral motor home? Fuse box relay location dodge caravan minivan 2001 2002 2003 2004 2005 2006 2007 3.3l 3.8l grand. Each dodge repair manual contains the detailed description of works and wiring diagrams. We have the following 2005 dodge caravan manuals available for free pdf download. Блок предохранителей и реле dodge caravan и grand caravan, chrysler voyager, grand voyager и town & country (2003, 2004, 2005, 2006, 2007). The a/c condenser fan fuse could be blown. Dodge caravan is also referred to as the dodge grand caravan and is a series of minivans produced by chrysler from the 1984 model year.

Free pdf download for thousands of cars and trucks.

Here you will find fuse box diagrams of dodge caravan 2001, 2002, 2003, 2004, 2005, 2006 and 2007, get information about the location of the fuse panels inside the car, and learn about the assignment of each fuse (fuse layout) and relay. Dodge jr sebring stratus 2002 system wiring diagrams. Fuse box relay location dodge caravan minivan 2001 2002 2003 2004 2005 2006 2007 3.3l 3.8l grand. Dodge caravan workshop, repair and owners manuals for all years and models. Do not modify the components or wiring, including adding any kind of badges or stickers to the steering wheel hub trim cover or the upper right side of. 2005 dodge grand caravan 3.8l. Caravan rear heater wiring diagram. 2007 dodge grand caravan cigarette lighter fuse, power outlet fuse & relay. We have 107 dodge caravan manuals covering a total of 34 years of production. Hey guys i am needing electrical wiring diagram for opel vectra c 2.2se 2004. Free pdf download for thousands of cars and trucks. Caravan rear window defogger schematics. You could be injured because the airbags are not there to protect you.

There is also a tsb relating to this. Each dodge repair manual contains the detailed description of works and wiring diagrams. We have the following 2005 dodge caravan manuals available for free pdf download. The a/c condenser fan fuse could be blown. Since the radio in my 04 durango limited started acting up (kept trying to eject cd's and drained the battery) i was looking for the fuse to pull to kill the radio completely.

2004 DODGE CARAVAN ENGINE HOSE DIAGRAM - Auto Electrical ...
2004 DODGE CARAVAN ENGINE HOSE DIAGRAM - Auto Electrical ... from i0.wp.com
Replace fuse and disconnect battery. Do not modify the components or wiring, including adding any kind of badges or stickers to the steering wheel hub trim cover or the upper right side of. Whether you're a novice dodge enthusiast, an expert dodge mobile electronics installer or a dodge fan, a remote start wiring diagram can save yourself a lot of time. The automotive wiring harness in a dodge is becoming increasing more complicated and more difficult to identify due to the installation of. B ® tech 1 , tech 1a , and mastertech are registered trademarks of vetronix corporation printed in usa 05/07 this entire document and all information contained herein are. Dodge caravan workshop, repair and owners manuals for all years and models. Service manual dodge ram 2004.rar. Fuse box relay location dodge caravan minivan 2001 2002 2003 2004 2005 2006 2007 3.3l 3.8l grand.

Caravan rear window defogger schematics.

Dodge ram 2004 gasoline owners manual. The a/c condenser fan fuse could be blown. Whether you're a novice dodge enthusiast, an expert dodge mobile electronics installer or a dodge fan, a remote start wiring diagram can save yourself a lot of time. 2007 dodge grand caravan cigarette lighter fuse, power outlet fuse & relay. Dodge caravan is also referred to as the dodge grand caravan and is a series of minivans produced by chrysler from the 1984 model year. Dodge jr sebring stratus 2002 system wiring diagrams. Do not modify the components or wiring, including adding any kind of badges or stickers to the steering wheel hub trim cover or the upper right side of. Caravan rear window defogger schematics. Dodge town & country caravan voyager wiring 2009. Блок предохранителей и реле dodge caravan и grand caravan, chrysler voyager, grand voyager и town & country (2003, 2004, 2005, 2006, 2007). Here you will find fuse box diagrams of dodge caravan 2001, 2002, 2003, 2004, 2005, 2006 and 2007, get information about the location of the fuse panels inside the car, and learn about the assignment of each fuse (fuse layout) and relay. 2005 dodge grand caravan 3.8l. Wiring diagrams, spare parts catalogue, fault codes free download.

We have 107 dodge caravan manuals covering a total of 34 years of production. Dodge caravan workshop, repair and owners manuals for all years and models. Dodge caravan le 1985 system wiring diagrams. Dodge town & country caravan voyager wiring 2009. Free pdf download for thousands of cars and trucks.

2004 DODGE CARAVAN ENGINE HOSE DIAGRAM - Auto Electrical ...
2004 DODGE CARAVAN ENGINE HOSE DIAGRAM - Auto Electrical ... from i0.wp.com
Dodge town & country caravan voyager wiring 2009. Whether you're a novice dodge enthusiast, an expert dodge mobile electronics installer or a dodge fan, a remote start wiring diagram can save yourself a lot of time. Dodge 2004 grand caravan automobile owner's manual. Dodge jr sebring stratus 2002 system wiring diagrams. 1993 dodge grand caravan wiring diagrams.pdf. We have 107 dodge caravan manuals covering a total of 34 years of production. The a/c condenser fan fuse could be blown. A case of the raucous rodent!

Replace fuse and disconnect battery.

Here you will find fuse box diagrams of dodge caravan 2001, 2002, 2003, 2004, 2005, 2006 and 2007, get information about the location of the fuse panels inside the car, and learn about the assignment of each fuse (fuse layout) and relay. Service manual dodge ram 2004.rar. The automotive wiring harness in a dodge is becoming increasing more complicated and more difficult to identify due to the installation of. Free pdf download for thousands of cars and trucks. 2007 dodge grand caravan cigarette lighter fuse, power outlet fuse & relay. Dodge 2004 grand caravan automobile owner's manual. The a/c condenser fan fuse could be blown. We have 107 dodge caravan manuals covering a total of 34 years of production. 2005 dodge grand caravan 3.8l. Caravan rear window defogger schematics. You may find documents other than just manuals as we also make available many user guides, specifications documents, promotional details, setup documents and more. B ® tech 1 , tech 1a , and mastertech are registered trademarks of vetronix corporation printed in usa 05/07 this entire document and all information contained herein are. Jun 12, 2009 | 2004 dodge intrepid.

By